
TY減速機是一種高效穩定的機械減速裝置,可用于各種領域的機械設備中,如冶金、化工、建筑材料、輕工、制藥、食品加工等。TY減速機主要由輸入軸、輸出軸、齒輪箱、潤滑系統和出力端底座等部分組成。齒輪箱包含高強度合金齒輪,并有良好的“減震、消聲、重載”等特性。

減速機是一種常用的機械傳動裝置,廣泛應用于各行各業。在減速機的傳動中,硬齒面和軟齒面是兩個重要的概念,它們在減速機的工作中起著不同的作用。 在選擇硬齒面和軟齒面時需要根據具體的使用情況來決定。如果傳動負載較大,需要承受較大的沖擊力和扭矩,則應選擇硬齒面;如果要求減速機傳動過程中噪音小、振動小,則應選擇軟齒面。 此外,還需要根據減速機的工作環境、使用壽命等因素進行綜合考慮,選擇較合適的硬齒面和軟

硬齒面和軟齒面的主要區別在于它們承受力的不同。硬齒面承受的是減速機傳動力,而軟齒面主要承受的是減少異響和震動的作用。除此之外,硬齒面的材料要比軟齒面的材料硬度高,硬齒面的制造工藝比軟齒面更加復雜。

軟齒面是指齒輪表面沒有經過熱處理等工藝而形成的齒面。軟齒面具有較低的硬度和強度,不能承受較大的負荷和沖擊力。軟齒面是在減速機傳動中主要承受減速機傳動力的部位,軟齒面大多數是由橡膠、銅材料或其他低硬度材料制成。它的主要作用是減少減速機在傳動過程中產生的異響和震動,從而保證減速機整機的平穩運轉。 軟齒面的制造相對簡單,通常采用鑄造等工藝來實現。需要注意的是,在使用軟齒面時需要控制好質量,否則會影響減

硬齒面是指齒輪表面經過熱處理等工藝后形成的硬度較高的齒面,在減速機傳動中承受著傳動力的部位,硬齒面大多數是由不銹鋼材料或其他高硬度材料制成。它的主要作用是承受傳遞到減速機上的負載,從而使得減速機整機能夠順利地進行運轉。硬齒面具有高的精度和強的耐磨性,能夠承受較大的負荷和沖擊力,因此在減速機的傳動中起著重要的作. 硬齒面的制造需要采用專業的加工設備和工藝,通常采用車削、磨削等工藝來實現。需要注意的

泰星減速機股份有限公司成立于1999年01月28日,注冊資本7,658萬(元),注冊地位于江蘇省泰興市姚王鎮泰姚北路10號,法定代表人為張明榮。經營范圍包括減速機、齒輪箱、油冷式電動滾筒、摩托車啟動發電機、電機、微電機、鍛件、鑄件的制造,自營和代理各類商品及技術的進出口業務。

對于行業內的同行公司來說,ZLZ減速機是一個值得學習的典范。這款減速機在市場上備受關注,原因在于它不僅擁有強大的性能和優質的品質,而且在應用和維護方面非常方便。在整個市場中,ZLZ減速機的性價比非常突出,得到了廣大用戶的青睞和喜愛。一、ZLZ減速機適用范圍如下: 1.高速軸轉速不大于1500轉/分。 2.齒輪傳動圓周速度不大于20米/秒。 3.工作環境溫度為-40~45℃,如果低于0℃

ZLY減速機作為傳動行業的頂尖品牌,其高強度、高效率、高承載能力等特點備受用戶青睞。通過深入了解ZLY減速機的結構、特點、應用和維護等方面,我們可以更好地了解這款產品,并在實際使用中做好相應的保養和維護。我們相信,在未來的發展中,ZLY減速機必將擁有更加廣泛的應用場景和更加高效的性能表現。

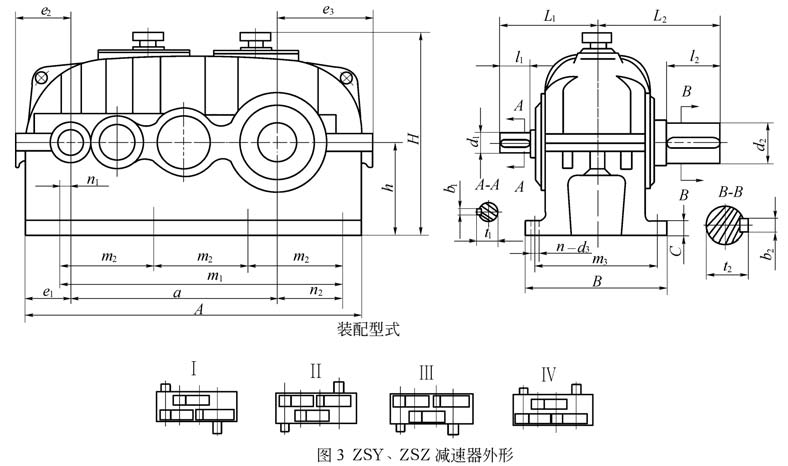
ZLY減速機概述 本產品是按國家標準生產的外嚙合漸開線斜齒圓柱齒輪減速機。 本產品廣泛應用于冶金、礦山、起重、運輸、水泥、建筑、化工、紡織、印染、制藥等領域。減速機適用范圍如下: 1.高速軸轉速不大于1500轉/分。 2.齒輪傳動圓周速度不大于20米/秒。 3.工作環境溫度為-40~45℃,如果低于0℃,啟動前潤滑油應預熱至0℃以上,本減速機可用于正反兩個方向運轉。特點 1.齒輪采用高

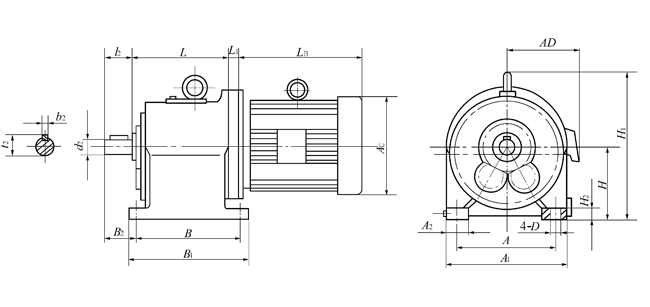
ZSY減速機是一種小型化、低噪聲的減速機。它具有高精度、高效率、低噪音和很長的壽命等優點。它在很多領域中都有成功應用和廣泛的市場。我們可以根據不同的使用需求和環境因素,選擇不同的型號來滿足我們的需求。

ZSY減速機是一種小型化、低噪聲的減速機,它具有較高的扭矩和較低的旋轉速度。它在許多領域中都有廣泛的應用,例如紡織、化工、輕工、食品、醫療器械等。我們可以根據不同的使用需求和環境因素,選擇不同的型號來滿足我們的需求。

ZDY減速機是一種可靠的、高品質的減速機,廣泛用于各種高精度、高負載和高速度的工作場合。在選擇和使用ZDY減速機時,考慮各種因素,進行定制,做好維護工作,才能更好地發揮其優異的性能和功能。

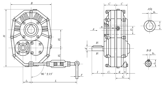
ZQA減速機是一種高精密的機械傳動產品,其工作原理是通過減少主機動力的轉速及提高扭矩,來達到所需的輸出轉速。該減速機采用斜齒輪和齒圈配合,具有傳動精度高、扭矩大、噪音小、壽命長、結構緊湊等特點,廣泛應用于各種工業設備的傳動系統。ZQA減速機承載能力(工作級別M5)輸入軸轉速(r/min)減速器型號輸出轉矩(N·m)公稱傳動比8.010.012.516.020.025.031.540.050.0高速

ZQA減速機是在ZQ型減速機的基礎上改型設計的。為了提高齒輪的承載能力,又便于替代ZQ型,即安裝尺寸和外形尺寸、輸入和輸出軸伸不變的情況下,只改變齒輪的材質和熱處理方式采用中硬齒面。并將ZQ型減速機的一級速比23.34改成25.02。

工業領域的驅動設備越來越重視高效、穩定、可靠的傳動方式,并要求設備具有長壽命、低噪音等特點,而ZJY減速機正是在這種需求的基礎上問世的。作為業內領先的生產商,ZJY減速機已成為各類機械設備中的不可或缺的一部分。

FDBY減速機是一種小型的減速器,由于其體積小、重量輕、結構緊湊,因此受到了廣泛的應用和贊譽。 FDBY 減速機的制造材料采用高品質的鋁合金和優質齒輪鋼,能夠極大地提高其硬度和耐用性。此外,它還具有扭矩輸出、回轉輸出、交叉軸輸出等多種輸出方式,確保了機器的實用性和穩定性。FDBY減速機工作條件1) 輸入軸最高轉速不大于1500r/min;2) 齒輪圓周速度最高為20m/s;3) 工作環境溫度

FZLY減速機是由減速箱、電機、機構及電器控制系統等組成。其主要原理是將高速的主傳動電機通過減速機降速,再經過皮帶、鏈輪等連接傳動裝置,將功率輸出到機械裝置上。減速機減速后,轉速降低,輸出功率增加,同時由于機械輸出的轉矩相對于電機輸出轉矩大,因此大大增加了機械傳動的能力。

ZFY減速機以高質量、高效率的特點深受業內人士的信任和青睞。它廣泛應用于各種機械傳動領域,成為機械傳動優選品牌。同時,ZFY減速機公司還注重全面的售后服務,讓用戶更加輕松使用。

TJZ行星齒輪減速機不僅具有高傳動效率、扭矩穩定、緊湊結構、壽命長等眾多特點與優勢,而且其應用范圍也越來越廣泛,成為現代工業解決方案中不可或缺的組成部分。有著廣闊的市場前景與發展空間,值得投資者和制造商的深入研究與關注。

TJZ專用行星齒輪減速機是一種廣泛應用于不同類型機械傳動的專業齒輪傳動裝置,其結構緊湊、傳動效率高、扭矩穩定、噪音低、壽命長,是現代機械制造業中不可或缺的核心元器件之一。
掃一掃咨詢微信客服