
ZD型減速器通過匹配具體工況進行設計制造,受到很多行業的青睞。它具有高效、高性能、耐用等多個優秀的特性,這些特點充分保障了產品在使用過程中的穩定性和維護方便性,并不斷受到廣大消費者的認可。盡管“匹配”是它的優勢,但ZD型減速器也有比較大的應用范圍,包括汽車、冶金、造紙、輪胎和公路橋梁等行業。它的出現,有力的推動了這些行業的發展。

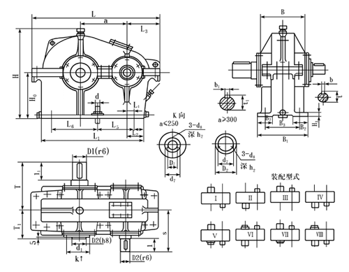
ZD減速機是單級漸開線圓柱齒輪減速器,它們主要用于礦山、冶金、水泥、建筑、化工、特工等各種機械設備的機械傳動,高速軸轉速不超過1500r/min,齒輪圓周速度不大于18m/s,工作環境為-40℃~+40℃,可正反轉運行。

ZDH減速器擁有多年的研發經驗和先進的技術設備,是各行業客戶值得信賴的產品。該款減速器系列采用了先進的設計和工藝,具有廣泛的市場應用,可應用于冶金、礦山、機械、建筑等各個領域。

ZDH減速機是單級圓弧圓柱齒輪減速器,它們主要用于礦山、冶金、水泥、建筑、化工、特工等各種機械設備的機械傳動,高速軸轉速不超過1500r/min,齒輪圓周速度不大于18m/s,工作環境為-40℃~+40℃,可正反轉運行。

ZDSH減速器是一種常見的工業傳動設備,以其高效穩定、壽命長、結構簡單、運行可靠等優點,廣泛應用于冶金、電力、熱電、水泥、造紙、化工、船舶等各個領域。

ZDSH減速機是單級雙圓弧圓柱齒輪減速器,它們主要用于礦山、冶金、水泥、建筑、化工、特工等各種機械設備的機械傳動,高速軸轉速不超過1500r/min,齒輪圓周速度不大于18m/s,工作環境為-40℃~+40℃,可正反轉運行。

為了更好地滿足現代工業對傳動系統的要求,ZL變速器應運而生。ZL變速器作為目前市場上應用較廣泛的一種變速器,具有結構簡單、運轉平穩、操作方便等優點.

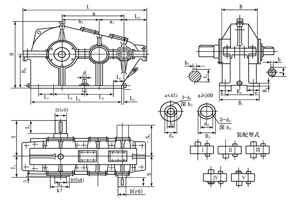
ZL減速機是兩級漸開線圓柱齒輪減速器,它們主要用于礦山、冶金、水泥、建筑、化工、輕工等各種機械設備的減速傳動。高速軸轉速不超過1500r/min,齒輪圓周速度不大于18m/s,工作環境溫度為-40℃~+40℃,可正反轉運行。

ZLH減速機是一款具有優良性能、高精度、穩定性和可靠性的減速機,被廣泛應用于機械傳動、紡織、化工、配料、工程機械等行業。它不僅結構緊湊、易于安裝、操作方便、噪聲小,而且運行平穩、效率高、壽命長,成為減速機行業的佼佼者。

ZLH減速機是兩級圓弧圓柱齒輪減速器,它們主要用于礦山、冶金、水泥、建筑、化工、輕工等各種機械設備的減速傳動。高速軸轉速不超過1500r/min,齒輪圓周速度不大于18m/s,工作環境溫度為-40℃~+40℃,可正反轉運行。

ZLSH減速機憑借其高效可靠的工作性能、細節設計精良、靈活多樣化的選配方案、廣泛的應用領域和優秀的技術和服務,一直是各行各業優選的驅動裝置之一。它的出現改變了傳統減速機市場格局,為用戶帶來了更為高效、可靠和節能的驅動裝置。

ZLSH減速機是兩級雙圓弧圓柱齒輪減速器,它們主要用于礦山、冶金、水泥、建筑、化工、輕工等各種機械設備的減速傳動。高速軸轉速不超過1500r/min,齒輪圓周速度不大于18m/s,工作環境溫度為-40℃~+40℃,可正反轉運行。

ZSH減速機作為一種高效、可靠的減速裝置,運用廣泛,用于解決生產中的功率瓶頸,提高工業制造的效率。隨著技術的不斷發展和市場的需求,ZSH減速機的應用前景將更加廣闊。

ZS減速機是一種應用廣泛、適應性強、效率高的減速機類型,具備較高的性能和可靠性,并且能夠靈活適應不同的工作環境。在選型和使用過程中需要遵循相應規范,定期保養和維護,才能確保減速機的穩定運行。未來,ZS減速機將繼續發展壯大,為機械設備的高效運轉保駕護航。

ZSSH減速機采用精密制造技術和材料,經高溫熱處理,具有非常高的韌性和使用壽命。該系列產品具有結構緊湊、性能可靠、設計新穎、能耗低、噪音小等特點,為工業生產提供了提高效率和降低成本的保障。

ZS減速機是三級漸開線圓柱齒輪減速器,是按國家專業標準生產的外嚙合漸開線斜齒圓柱齒輪減速器。ZS減速機的齒輪采用高強度低碳合金鋼經滲碳淬火而成,齒面硬度達HRC58-62,齒輪均采用數控磨齒工藝,精度高,接觸性好;傳動率高;運轉平穩,噪音低;使用壽命長,承載能力高;易于拆檢,易于安裝。 ZS減速機它們主要用于礦山、冶金、水泥、建筑、化工、輕工等各種機械設備的機械傳動,高速軸轉速不超過1500r/

ZSSH減速機它們主要用于礦山、冶金、水泥、建筑、化工、輕工等各種機械設備的機械傳動,高速軸轉速不超過1500r/min,齒輪圓周速度不大于18m/s,工作環境為–40℃~+40℃,可正反轉運行。

ZQH減速機系列裝置擁有一種高速和低速的結構,是現代工業自動化中不可缺少之一的重要機械設備之一。它憑借其卓越的性能表現,已經廣泛應用于機械加工、制造、包裝、食品、制藥及化工等行業領域,其應用價值得到了高度的認可和重視。設計和技術 ZQH減速機具有出色的結構設計和完美的制造工藝,它是優秀的減速機械的代表之一。其設計考慮到了對用戶的便捷性和繁忙的生產工作環境,設備設計簡單,使用方便,安全可靠。 作

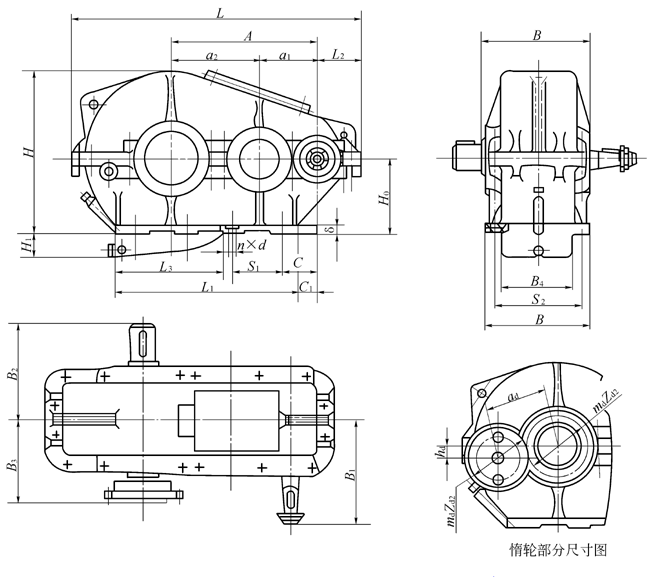
ZQH減速機是圓弧圓柱齒輪減速器適用于建材、起重、運輸、冶金、化工和輕工等行業。高速軸轉速不超過1500r/min,齒輪圓周速度不大于12m/s,效率不低于0.94,工作環境為-40℃—+40℃,可正反轉運行。ZQH減速機機型按中心距分為:250、350、400、500、650、750、850、1000共8種。ZQH減速機型號標記示例:ZQH減速機的外形尺寸型號中心距中心高H0最大外形尺寸軸端尺寸

PJ減速機作為一種專業化的機械傳動設備,可以提供可靠的動力傳輸解決方案,它的結構緊湊,運行效率高,且具有良好的耐用性和可靠性。在冶金、重型機械、石油化工等行業中得到廣泛應用,其需要定期維護和保養以延長其壽命和提高效率。
掃一掃咨詢微信客服