QJ-L起重機減速機型式
1) 結構型式 QJ-L減速機為三級立式帶底座減速器。QJ-L280以上減速器,加裝強迫潤滑系統。
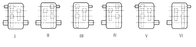
2) 裝配型式 QJ-L減速機共有六種裝配型式,見下圖。
QJ-L起重機減速機外形尺寸和安裝尺寸 (mm)
型號 | 中心距 | 主動軸 | 轉動軸 | 外型尺寸 | ||||||||||||||||
a1 | a2 | a3 | a03 | d | l1 | N | b1 | t1 | D | l2 | K | b2 | t2 | H | B | L | L0 | N0 | N2 | |
QJ-L140 | 140 | 100 | 71 | 311 | 20 | 50 | 120 | 6 | 22.5 | 48 | 82 | 130 | 14 | 51.5 | 300 | 190 | 558 | 167 | 103 | 107 |
QJ-L170 | 170 | 118 | 85 | 375 | 25 | 50 | 135 | 8 | 28 | 55 | 82 | 150 | 16 | 59 | 355 | 215 | 650 | 192 | 115 | 120 |
QJ-L200 | 200 | 140 | 100 | 440 | 28 | 60 | 180 | 8 | 31 | 65 | 105 | 175 | 18 | 69 | 405 | 250 | 747 | 217 | 133 | 137 |
QJ-L236 | 236 | 170 | 118 | 524 | 35 | 80 | 210 | 10 | 38 | 80 | 130 | 200 | 22 | 85 | 475 | 300 | 894 | 260 | 158 | 164 |
QJ-L280 | 280 | 200 | 140 | 620 | 40 | 110 | 235 | 12 | 43 | 90 | 130 | 220 | 25 | 95 | 557 | 340 | 1035 | 295 | 277 | 211 |
QJ-L335 | 335 | 236 | 170 | 741 | 45 | 110 | 255 | 14 | 48.5 | 110 | 165 | 260 | 28 | 116 | 654 | 400 | 1243 | 357 | 307 | 241 |
QJ-L400 | 400 | 280 | 200 | 880 | 55 | 110 | 285 | 16 | 59 | 130 | 200 | 310 | 32 | 137 | 778 | 490 | 1443 | 412 | 352 | 286 |
型號 | 安裝尺寸 | 重量 /kg | ||||||||||||||
H0 | A | S | S1 | S2 | S3 | B1 | B2 | B3 | L1 | L2 | L3 | C | d1 | 孔數n | ||
QJ-L140 | 138 | 260 | 185 | 30 | 0 | 170 | 245 | 60 | 30 | 30 | 80 | 80 | 20 | 21 | 4 | 77 |
QJ-L170 | 168 | 290 | 205 | 35 | 0 | 205 | 265 | 60 | 30 | 25 | 110 | 110 | 25 | 21 | 4 | 112 |
QJ-L200 | 193 | 340 | 235 | 40 | 0 | 240 | 295 | 60 | 30 | 30 | 120 | 120 | 25 | 21 | 4 | 165 |
QJ-L236 | 230 | 405 | 270 | 55 | 55 | 290 | 330 | 60 | 30 | 30 | 180 | 120 | 30 | 21 | 6 | 249 |
QJ-L280 | 265 | 480 | 320 | 60 | 60 | 340 | 400 | 80 | 40 | 40 | 195 | 120 | 30 | 25 | 6 | 364 |
QJ-L335 | 315 | 550 | 365 | 60 | 60 | 410 | 445 | 80 | 40 | 40 | 200 | 120 | 35 | 25 | 6 | 647 |
QJ-L400 | 380 | 680 | 430 | 70 | 70 | 510 | 520 | 90 | 45 | 50 | 240 | 140 | 40 | 31 | 6 | 1048 |
輸入軸 轉速/ (r/min) | 名義 中心 距/mm | 輸出轉 矩/ N·m | 公稱傳動比 | ||||||||||||||||
16.0 | 18.0 | 20.0 | 22.4 | 25.0 | 28.0 | 31.5 | 35.5 | 40.0 | 45.0 | 50.0 | 56.0 | 63.0 | 71.0 | 80.0 | 90.0 | 100.0 | |||
高速軸許用功率/kW | |||||||||||||||||||
600 | 140 | 820 | 3.1 | 2.7 | 2.5 | 2.2 | 2.0 | 1.8 | 1.6 | 1.4 | 1.2 | 1.1 | 0.98 | 0.87 | 0.78 | 0.69 | 0.61 | 0.54 | 0.52 |
170 | 1360 | 5.1 | 4.5 | 4.1 | 3.6 | 3.3 | 2.9 | 2.6 | 2.3 | 2.0 | 1.8 | 1.6 | 1.5 | 1.3 | 1.1 | 1.0 | 0.90 | 0.81 | |
200 | 2650 | 9.9 | 8.8 | 7.9 | 7.1 | 6.3 | 5.7 | 5.0 | 4.5 | 4.0 | 3.5 | 3.2 | 2.8 | 2.5 | 2.2 | 2.0 | 1.8 | 1.6 | |
236 | 4500 | 16.7 | 14.9 | 13.4 | 11.9 | 10.7 | 9.5 | 8.5 | 7.5 | 6.7 | 5.9 | 5.3 | 4.8 | 4.2 | 3.7 | 3.3 | 2.9 | 2.6 | |
280 | 7500 | 27.9 | 24.8 | 22.3 | 19.9 | 17.9 | 15.9 | 14.2 | 12.6 | 11.1 | 9.9 | 8.9 | 7.9 | 7.1 | 6.3 | 5.6 | 4.9 | 4.4 | |
335 | 12500 | 46.6 | 41.4 | 37.3 | 33.3 | 29.8 | 26.6 | 23.6 | 21.0 | 18.6 | 16.5 | 14.9 | 13.3 | 11.8 | 10.5 | 9.3 | 8.2 | 7.4 | |
400 | 21200 | 79.0 | 70.3 | 63.2 | 56.4 | 50.6 | 45.2 | 40.1 | 35.6 | 31.6 | 28.1 | 25.3 | 22.6 | 20.0 | 17.8 | 15.8 | 14.0 | 12.6 | |
750 | 140 | 820 | 3.8 | 3.4 | 3.1 | 2.7 | 2.4 | 2.2 | 1.9 | 1.7 | 1.5 | 1.4 | 1.2 | 1.1 | 0.97 | 0.86 | 0.76 | 0.68 | 0.61 |
170 | 1360 | 6.3 | 5.6 | 5.1 | 4.5 | 4.0 | 3.6 | 3.2 | 2.9 | 2.5 | 2.3 | 2.0 | 1.8 | 1.6 | 1.4 | 1.3 | 1.1 | 1.0 | |
200 | 2650 | 12.3 | 11.0 | 9.9 | 8.8 | 7.9 | 7.0 | 6.3 | 5.6 | 4.9 | 4.4 | 3.9 | 3.5 | 3.1 | 2.8 | 2.5 | 2.2 | 2.0 | |
236 | 4500 | 20.9 | 18.5 | 16.7 | 14.9 | 13.3 | 11.9 | 10.6 | 9.4 | 8.3 | 7.4 | 6.6 | 5.9 | 5.3 | 4.7 | 4.1 | 3.7 | 3.3 | |
280 | 7500 | 34.8 | 30.9 | 27.8 | 24.9 | 22.3 | 19.9 | 17.7 | 15.7 | 13.9 | 12.3 | 11.1 | 9.9 | 8.8 | 7.8 | 6.9 | 6.2 | 5.5 | |
335 | 12500 | 58.0 | 51.6 | 46.4 | 41.4 | 37.1 | 33.1 | 29.5 | 26.1 | 23.2 | 20.6 | 18.5 | 16.6 | 14.7 | 13.0 | 11.6 | 10.3 | 9.2 | |
400 | 21200 | 98.5 | 87.5 | 78.8 | 70.3 | 63.0 | 56.3 | 50.0 | 44.4 | 39.4 | 35.0 | 31.5 | 28.1 | 25.0 | 22.2 | 19.7 | 17.5 | 15.7 | |
1000 | 140 | 820 | 5.1 | 4.5 | 4.1 | 3.6 | 3.3 | 2.9 | 2.6 | 2.3 | 2.0 | 1.8 | 1.6 | 1.5 | 1.3 | 1.2 | 1.0 | 0.91 | 0.82 |
170 | 1360 | 8.5 | 7.5 | 6.8 | 6.0 | 5.4 | 4.8 | 4.3 | 3.8 | 3.4 | 3.0 | 2.7 | 2.4 | 2.2 | 1.9 | 1.7 | 1.5 | 1.4 | |
200 | 2650 | 16.5 | 14.7 | 13.2 | 11.8 | 10.6 | 9.4 | 8.4 | 7.4 | 6.6 | 5.9 | 5.3 | 4.7 | 4.2 | 3.7 | 3.3 | 2.9 | 2.6 | |
236 | 4500 | 28.0 | 24.8 | 22.3 | 19.9 | 17.9 | 15.9 | 14.2 | 12.6 | 11.1 | 9.9 | 8.9 | 7.9 | 7.1 | 6.3 | 5.6 | 4.9 | 4.4 | |
280 | 7500 | 46.6 | 41.4 | 37.3 | 33.3 | 29.8 | 26.6 | 23.6 | 21.0 | 18.6 | 16.5 | 14.9 | 13.3 | 11.8 | 10.5 | 9.3 | 8.2 | 7.4 | |
335 | 12500 | 77.7 | 69.0 | 62.1 | 55.5 | 49.7 | 44.4 | 39.4 | 35.0 | 31.0 | 27.6 | 24.8 | 22.2 | 19.7 | 17.5 | 15.5 | 13.8 | 12.4 | |
400 | 21200 | 131.8 | 117.1 | 105.4 | 94.1 | 84.3 | 75.3 | 66.9 | 59.4 | 52.7 | 46.8 | 42.1 | 37.6 | 33.4 | 29.7 | 26.3 | 23.4 | 21.0 | |
1500 | 140 | 820 | 7.5 | 6.7 | 6.0 | 5.4 | 4.8 | 4.3 | 3.8 | 3.4 | 3.0 | 2.7 | 2.4 | 2.3 | 2.1 | 1.8 | 1.6 | 1.4 | 1.2 |
170 | 1360 | 12.5 | 11.1 | 10.0 | 8.9 | 8.0 | 7.1 | 6.3 | 5.6 | 5.0 | 4.4 | 4.0 | 3.8 | 3.4 | 3.0 | 2.6 | 2.4 | 2.1 | |
200 | 2650 | 24.3 | 21.6 | 19.4 | 17.3 | 15.5 | 13.9 | 12.3 | 10.9 | 9.7 | 8.6 | 7.8 | 7.0 | 6.6 | 5.8 | 5.2 | 4.6 | 4.2 | |
236 | 4500 | 41.2 | 36.6 | 32.9 | 29.4 | 26.3 | 23.5 | 20.9 | 18.5 | 16.4 | 14.6 | 13.2 | 11.7 | 10.4 | 9.2 | 8.2 | 7.3 | 6.6 | |
280 | 7500 | 68.7 | 61.0 | 54.9 | 49.0 | 43.9 | 39.2 | 34.9 | 30.9 | 27.4 | 24.4 | 21.9 | 19.6 | 17.4 | 15.4 | 13.7 | 12.2 | 11.0 | |
335 | 12500 | 114.5 | 101.8 | 91.6 | 81.8 | 73.3 | 65.4 | 58.1 | 51.6 | 45.8 | 40.7 | 36.6 | 32.7 | 29.0 | 25.8 | 22.9 | 20.3 | 18.3 | |
400 | 21200 | 194.2 | 172.6 | 155.4 | 138.7 | 124.3 | 111.0 | 98.6 | 87.5 | 77.7 | 69.0 | 62.1 | 55.5 | 49.3 | 43.7 | 38.8 | 34.5 | 31.0 | |
QJ-L起重機減速機主要技術參數
QJ-L減速機中心距 (mm)
減速器型號 | QJ-L140 | QJ-L170 | QJ-L200 | QJ-L236 | QJ-L280 | QJ-L335 | QJ-L400 |
低速級a1 | 140 | 170 | 200 | 236 | 280 | 335 | 400 |
中速級a2 | 100 | 118 | 140 | 170 | 200 | 236 | 280 |
高速級a3 | 71 | 85 | 100 | 118 | 140 | 170 | 200 |
QJ-L減速機公稱傳動比和實際傳動比
規格 | 公稱傳動比 | ||||||||||||||||
16 | 18 | 20 | 22.4 | 25 | 28 | 31.5 | 35.5 | 40 | 45 | 50 | 56 | 63 | 71 | 80 | 90 | 100 | |
實際傳動比 | |||||||||||||||||
140 | 15.57 | 17.92 | 19.96 | 23.13 | 24.46 | 28.59 | 32.15 | 35.83 | 40.30 | 45.72 | 49.26 | 55.20 | 63.09 | 68.25 | 78.00 | 90.88 | 103.87 |
170 | 15.82 | 17.86 | 19.95 | 22.64 | 25.44 | 27.78 | 31.45 | 35.22 | 39.87 | 43.34 | 49.21 | 56.39 | 64.04 | 72.06 | 81.82 | 89.29 | 101.39 |
200 | 15.78 | 18.10 | 20.22 | 22.23 | 24.98 | 27.57 | 31.21 | 35.99 | 40.75 | 44.03 | 49.95 | 55.73 | 63.22 | 68.12 | 77.28 | 86.10 | 97.67 |
236 | 15.68 | 18.07 | 20.21 | 22.28 | 25.09 | 27.77 | 31.53 | 34.37 | 41.13 | 43.95 | 50.21 | 53.36 | 64.92 | 71.00 | 81.11 | 85.83 | 98.05 |
280 | 16.51 | 18.19 | 20.26 | 22.39 | 23.69 | 27.72 | 31.18 | 34.83 | 39.15 | 44.41 | 50.76 | 53.69 | 61.36 | 71.84 | 82.11 | 90.04 | 102.91 |
335 | 15.70 | 17.98 | 20.20 | 22.18 | 25.11 | 27.64 | 31.58 | 35.76 | 40.00 | 45.70 | 48.76 | 58.43 | 62.35 | 72.82 | 83.19 | 93.75 | 100.04 |
400 | 15.78 | 18.10 | 20.22 | 22.23 | 24.98 | 27.57 | 31.21 | 36.00 | 40.75 | 44.03 | 49.95 | 55.73 | 63.22 | 68.12 | 77.28 | 86.10 | 97.67 |
輸入軸 轉速/ (r/min) | 名義 中心 距/mm | 輸出 轉矩 /N·m | 公稱傳動比 | ||||||||||||||||
16.0 | 18.0 | 20.0 | 22.4 | 25.0 | 28.0 | 31.5 | 35.5 | 40.0 | 45.0 | 50.0 | 56.0 | 63.0 | 71.0 | 80.0 | 90.0 | 100.0 | |||
高速軸許用功率/kW | |||||||||||||||||||
600 | 140 | 410 | 1.5 | 1.3 | 1.2 | 1.0 | 0.98 | 0.87 | 0.78 | 0.69 | 0.61 | 0.54 | 0.49 | 0.44 | 0.39 | 0.34 | 0.31 | 0.27 | 0.24 |
170 | 680 | 2.5 | 2.2 | 2.0 | 1.8 | 1.6 | 1.4 | 1.2 | 1.1 | 1.0 | 0.90 | 0.81 | 0.72 | 0.64 | 0.57 | 0.51 | 0.45 | 0.41 | |
200 | 1325 | 4.9 | 4.3 | 3.9 | 3.5 | 3.1 | 2.8 | 2.5 | 2.2 | 1.9 | 1.7 | 1.5 | 1.4 | 1.2 | 1.1 | 0.99 | 0.88 | 0.79 | |
236 | 2250 | 8.3 | 7.4 | 6.7 | 6.0 | 5.3 | 4.8 | 4.2 | 3.7 | 3.3 | 2.9 | 2.6 | 2.4 | 2.1 | 1.8 | 1.6 | 1.4 | 1.3 | |
280 | 3750 | 13.9 | 12.4 | 11.1 | 9.9 | 8.9 | 7.9 | 7.1 | 6.3 | 5.6 | 4.9 | 4.4 | 4.0 | 3.5 | 3.1 | 2.8 | 2.4 | 2.2 | |
335 | 6250 | 23.3 | 20.7 | 18.6 | 16.6 | 14.9 | 13.3 | 11.8 | 10.5 | 9.3 | 8.2 | 7.4 | 6.6 | 5.9 | 5.2 | 4.6 | 4.1 | 3.7 | |
400 | 10600 | 39.5 | 35.1 | 31.6 | 28.2 | 25.3 | 22.6 | 20.0 | 17.8 | 15.8 | 14.0 | 12.6 | 11.3 | 10.0 | 8.9 | 7.9 | 7.0 | 6.3 | |
750 | 140 | 410 | 1.9 | 1.6 | 1.5 | 1.3 | 1.2 | 1.0 | 0.97 | 0.86 | 0.76 | 0.68 | 0.61 | 0.54 | 0.48 | 0.43 | 0.38 | 0.34 | 0.30 |
170 | 680 | 3.1 | 2.8 | 2.5 | 2.2 | 2.0 | 1.8 | 1.6 | 1.4 | 1.2 | 1.1 | 1.0 | 0.90 | 0.80 | 0.71 | 0.63 | 0.56 | 0.51 | |
200 | 1325 | 6.1 | 5.4 | 4.9 | 4.4 | 3.9 | 3.5 | 3.1 | 2.7 | 2.4 | 2.1 | 1.9 | 1.7 | 1.5 | 1.3 | 1.2 | 1.0 | 0.99 | |
236 | 2250 | 10.4 | 9.2 | 8.3 | 7.4 | 6.6 | 5.9 | 5.3 | 4.7 | 4.1 | 3.7 | 3.3 | 2.9 | 2.6 | 2.3 | 2.0 | 1.8 | 1.6 | |
280 | 3750 | 17.4 | 15.4 | 13.9 | 12.4 | 11.1 | 9.9 | 8.8 | 7.8 | 6.9 | 6.2 | 5.5 | 4.9 | 4.4 | 3.9 | 3.4 | 3.1 | 2.7 | |
335 | 6250 | 29.0 | 25.8 | 23.2 | 20.7 | 18.5 | 16.6 | 14.7 | 13.0 | 11.6 | 10.3 | 9.2 | 8.3 | 7.3 | 6.5 | 5.8 | 5.1 | 4.6 | |
400 | 10600 | 49.2 | 43.7 | 39.4 | 35.1 | 31.5 | 28.1 | 25.0 | 22.2 | 19.7 | 17.5 | 15.7 | 14.0 | 12.5 | 11.1 | 9.8 | 8.7 | 7.8 | |
1000 | 140 | 410 | 2.5 | 2.2 | 2.0 | 1.8 | 1.6 | 1.4 | 1.2 | 1.1 | 1.0 | 0.91 | 0.82 | 0.73 | 0.65 | 0.57 | 0.51 | 0.45 | 0.41 |
170 | 680 | 4.2 | 3.7 | 3.3 | 3.0 | 2.7 | 2.4 | 2.1 | 1.9 | 1.6 | 1.5 | 1.3 | 1.2 | 1.0 | 0.95 | 0.85 | 0.75 | 0.68 | |
200 | 1325 | 8.2 | 7.3 | 6.5 | 5.8 | 5.2 | 4.7 | 4.1 | 3.7 | 3.3 | 2.9 | 2.6 | 2.3 | 2.0 | 1.8 | 1.6 | 1.4 | 1.3 | |
236 | 2250 | 13.9 | 12.4 | 11.1 | 9.9 | 8.9 | 7.9 | 7.1 | 6.3 | 5.6 | 4.9 | 4.4 | 4.0 | 3.5 | 3.1 | 2.8 | 2.4 | 2.2 | |
280 | 3750 | 23.3 | 20.7 | 18.6 | 16.6 | 14.9 | 13.3 | 11.8 | 10.5 | 9.3 | 8.2 | 7.4 | 6.6 | 5.9 | 5.2 | 4.6 | 4.1 | 3.7 | |
335 | 6250 | 38.8 | 34.5 | 31.0 | 27.7 | 24.8 | 22.2 | 19.7 | 17.5 | 15.5 | 13.8 | 12.4 | 11.1 | 9.8 | 8.7 | 7.7 | 6.9 | 6.2 | |
400 | 10600 | 65.9 | 58.5 | 52.7 | 47.0 | 42.1 | 37.6 | 33.4 | 29.7 | 26.3 | 23.4 | 21.0 | 18.8 | 16.7 | 14.8 | 13.1 | 11.7 | 10.5 | |
1500 | 140 | 410 | 3.7 | 3.3 | 3.0 | 2.6 | 2.4 | 2.1 | 1.9 | 1.6 | 1.5 | 1.3 | 1.2 | 1.0 | 0.95 | 0.85 | 0.75 | 0.67 | 0.60 |
170 | 680 | 6.2 | 5.5 | 4.9 | 4.4 | 3.9 | 3.5 | 3.1 | 2.8 | 2.4 | 2.2 | 1.9 | 1.7 | 1.5 | 1.4 | 1.2 | 1.1 | 1.0 | |
200 | 1325 | 12.1 | 10.7 | 9.7 | 8.6 | 7.7 | 6.9 | 6.1 | 5.4 | 4.8 | 4.3 | 3.8 | 3.4 | 3.0 | 2.7 | 2.4 | 2.1 | 1.9 | |
236 | 2250 | 20.6 | 18.3 | 16.4 | 14.7 | 13.2 | 11.7 | 10.4 | 9.2 | 8.2 | 7.3 | 6.6 | 5.8 | 5.2 | 4.6 | 4.1 | 3.6 | 3.3 | |
280 | 3750 | 34.3 | 30.5 | 27.4 | 24.5 | 21.9 | 19.6 | 17.4 | 15.4 | 13.7 | 12.2 | 11.0 | 9.8 | 8.7 | 7.7 | 6.8 | 6.1 | 5.5 | |
335 | 6250 | 57.2 | 50.9 | 45.8 | 40.9 | 36.6 | 32.7 | 29.0 | 25.8 | 22.9 | 20.3 | 18.3 | 16.3 | 14.5 | 12.9 | 11.4 | 10.1 | 9.1 | |
400 | 10600 | 97.1 | 86.3 | 77.7 | 69.3 | 62.1 | 55.5 | 49.3 | 43.7 | 38.8 | 34.5 | 31.0 | 27.7 | 24.6 | 21.8 | 19.4 | 17.2 | 15.5 | |
掃一掃咨詢微信客服