

ZLH型減速器主要用于起重、礦山、通用化工、紡織輕工等行業,其適用條件如下:
減速器齒輪傳動圓周速度不大于4米/秒
減速器高速軸的轉速不大于1500轉/分
減速器用于正反兩向運轉。當帶逆止器時,以正對輸出軸端看的方向為準。
減速器工作環境溫度為-40℃到+40℃
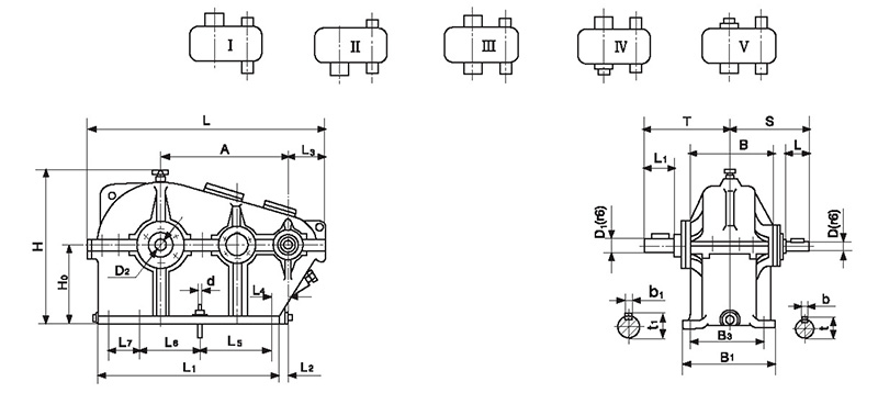
減速器有九種傳動比、九種配置型式和三種低速軸軸端型式
結構概況及主要另部件
本機結構型式為兩級三軸圓柱斜齒水平分割全封式。潤滑油盛于減速機之內部,在主動軸和中間軸上設有擋油板,各軸支點均用流動軸承,其軸向間隙可用內部調整環調整之,本機上部有檢查蓋,下部有油標指針和排廢油用的油塞。
齒輪和軸均用優異炭素鋼制造,并經調質處理,齒輪多用鑄鋼制造,并經正火處理,箱體材料為灰鑄鐵—HT200并經時效處理、齒輪按8級精度制造的滾切斜齒,傾斜角為9°22′兩配偶輪齒數和為148牙。
外形及安裝尺寸

掃一掃咨詢微信客服